| 発売時期 | 発売時価格 |
| 1963/04 | ¥1300 |
![]() |
| 久々に大物の登場です。1/21デラックス戦車シリーズの輝くキットNo.1、M4シャーマン(リモコン)です。 1962年のお正月に発送された1/35パンサータンクの大ヒットからほぼ1年、タイガータンク、ロンメル戦車とラインナップが揃い始めたところで、タミヤは一ランク上のシリーズをスタートさせます。パンサータンクより一回り、いや二回り大きな車体は1/21というスケールのリモコンM4シャーマンでした。1/35というスケールは単2電池2本内蔵から出てきたという伝説がありますが、この1/21というのは単1電池4本内蔵から来たのでしょうか? 意外に知られていないのですが、このM4シャーマンはリモコン版が先に発売になり、シングル版が出るのは2年半も後の1965年9月です。そしてこのリモコン版のM4シャーマンですが、驚くことに大きく分けて3つのタイプが存在するのです。当研究室では2つのタイプ(TKK45版とRE36版)があることは確認していましたが、ある文献の一文が頭の隅に引っかかっており、すっきりしない状態が続いていました。それは「少年ブック1965年11月号」の「少年プラ模型新聞」の中にあるM4シャーマン紹介の記事で、「タミヤモケイから、まえにでていたのの、改良型です」のくだりです。しかし以前の物がどんな状態で、それがどう改良されたのか全くわかりませんでした。 それが、先日ある一本の電話で一気に解決しました。電話の主は長沢成幸氏。私の知る限り、日本一の質を誇るコレクターです。「ようやくリモコンのシャーマンを海外から入手したんですが、どうも様子が変なんですよ。ええ、見た事もないリモコンボックスなんです。」.....すぐにデジカメを持って飛んでいった取材の成果が以下の研究発表です。この場を借りて長沢氏に深い感謝の意を表します。 最初期版はとんでもないリモコンボックスでした。単1電池4本は車体下部に内蔵し、6本のコードを車外に出してダイヤル(!)で操作したのです。このダイヤル式リモコンボックスは私の知る限りではこれまで文献に紹介されたことがありません、本邦初公開かと思われます。電源を車内に置くというのはまさにラジコンの発想で、まさにそのラジコンについても参考配置要領が描かれていますが、当時のラジコンセット一式の値段は大人でもおいそれと買えなかったはずですから、いかにこのM4シャーマンが子供達にとって高嶺の花だったかがわかります。しかし複数の資料から推察するに、やはりこのリモコン形式は作動が確実でなかったようで、1965年にシングルが発売になると同時にギアボックスが一体型となり、単2電池4本使用の押しボタン式カマボコ型リモコンボックスに改良されました。 さらに驚いたことに、ギアボックスは当初ギアを一枚一枚組み立てるタイプの前輪駆動だったのに、改良型ではギアボックスが一部一体化され後輪駆動に変わってしまいます(ありがとうございます森本さん)。ただ、注意してみると最初のバージョンは前輪駆動にも関わらず、後輪であるアイドラーホイルにもギザギザがモールドされており、「初めから後輪駆動への変換を念頭に置いていたのか?」の疑問がわきますが、1/35パンサータンクなども前輪駆動でありながらアイドラーホイルにギザギザがモールドされている事により、当時のスタンダードは駆動部分でなくてもギザギザのモールドがあった事がわかり、なんとなく納得してしまいます。そして改良型では、前輪であるスプロケットホイルが前後にスライドすることにより、ゴムキャタピラの張り具合が調整可能になりました。これはスムーズな走行という意味では非常に重要なことでした。 つまり当研究室では次の様に1/21M4シャーマンを分類します
今になって過去のカタログを紐解いてみると、確かに1963年版カタログの裏表紙に近日発売として1/21シャーマンが出ているのですが、単1電池4本使用と描いてありました。先入観を持たず、手持ちの資料を良く確認することは基本ですね。 ちなみに余談ですが、長沢氏はこの1/21リモコンM4シャーマンを2個所有しており、5年ほど前に一つを放出したのですが、ある日私がもう一つの残った方を拝ませて頂いたら、中はからっぽで代わりに車のキットが2つ入っており真っ白になったことがあります。つまり氏は一つが空箱である事をすっかり忘れており(持ってみても中に車のキットが入っているのでそれなりの重さがあった)、一つしかないシャーマンを譲ってしまったわけです。氏の落胆は相当な物でしたが、彼のネットワークで世界のマニアに問い合わせ続けたところ、3年以上経って今回のキットが見つかり、それも大変なオマケが付いて氏の元にやってきた事になります。 そこで一句。「コレクター、たまには箱を開けましょう。」 |
![]() |
![]() |
| type1:全景。夢の扉が開かれたところ。 | type1:リモコンコードは6色6本。 |
![]() |
![]() |
| type1:本邦初公開!ダイヤル式リモコンボックス、スイッチ部品 | type1:リモコンボックストップ部品。まるで呪文の象形文字。 |
![]() |
![]() |
| type1:ギアは一つ一つ組み上げた。 | type3:ギアボックス、一体型のRE−36使用版。 |
![]() |
![]() |
| ボリューム感あふれる車体上部と砲塔。 | ゴムキャタピラのモールドも鮮やか。 |
![]() |
![]() |
| 機銃や、車体後部ラックがリアル。 | デカール:オリーブドラブには強烈なアクセント。 |
![]() |
| type1の中に入っているタグ。単1乾電池4本に注目 |
![]() |
| type2のボックスサイド。単2電池4本使用版なのに、ここはtype1のままで直っていない。 |
![]() |
| type3のボックスサイド。RE−36版で単2電池4本使用 |
![]() |
| type1のインスト。ヒノデラジコンセット推奨。リモコンボックスに注目。コードは6本。森本さん、仕組みを教えて下さい! |
![]() |
| type1インスト:これが最初期版リモコンボックスの全貌!一つのダイヤルで自由自在!!車体に単1電池4本を内蔵する。 |
![]() |
| type1インスト:こ、これを送ればタミヤ1963年版(!)カタログが送られてきた!! |
![]() |
| type1インスト:ギアは一枚一枚組立式の前輪駆動。 |
![]() |
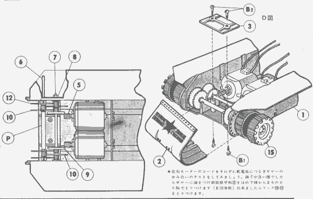
| type2インスト:ギアボックスは一部一体型の後輪駆動に変更。 スプロケットホイルは7番のネジで前後スライドし、キャタピラの張り具合を調整できる。 車体後部にはギアが干渉しない様、穴が開けられている。 |